Analyse des fonctions
La direction assistée permet :
- d'assister le conducteur dans la rotation du volant ;
- le durcissement du volant en fonction de la vitesse et de l'angle de la rotation du volant ;
- le rappel du volant en position neutre.
Assistance
L'assistance permet de manier plus aisément le véhicule en facilitant la rotation des roues, surtout lors des manœuvres nécessaires pour tourner (stationnement et faibles vitesses).
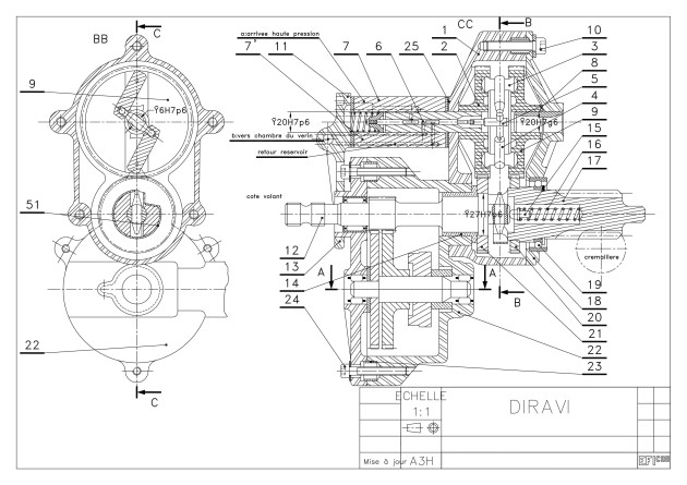
L'assistance est réalisée dans ce mécanisme grâce à l'action du vérin de commande hydraulique monté coaxialement sur la crémaillère de direction. Lors de la phase normale de fonctionnement, c'est une assistance à 100 %, c'est à dire que la colonne de direction liée au volant n'a plus de contact mécanique avec la crémaillère. Le vérin est donc l'unique actionneur de cette crémaillère.
Si le circuit hydraulique venait à être défaillant pour une raison quelconque, la sécurité mécanique est assurée grâce à un doigt de commande du pignon de crémaillère, situé à l'extrémité de la colonne de direction. Un faible rattrapage de jeu angulaire est néanmoins inévitable dans ce cas. Au niveau du vérin, la chambre n°2 est constamment reliée à la haute pression HP pour assurer une meilleure réactivité du système et à compenser par un gavage, les fuites qui pourraient survenir. Il est à noter également que par construction, la surface d'action S de la chambre n°1
est égale au double de celle de la chambre n°2.
Le vérin hydraulique est différentiel à double tige. Les sections des tiges sont différentes, ce qui engendre des débits d'admission et de refoulement différents.
Le bloc de commande, situé sur le boîtier de la crémaillère, comporte un distributeur à tiroir (5, voir dessin technique) qui, selon sa position relie la chambre 1 aux diverses pressions requises :
En phase de braquage, dans le cadre du jeu angulaire permis entre le doigt et le pignon de crémaillère, la colonne entraîne en rotation le plateau vert, tandis que le plateau bleu est encore fixes à cause du verrouillage de la crémaillère réalisé par le vérin toujours à l'équilibre.
En phase de braquage, dans le cadre du jeu angulaire permis entre le doigt et le pignon de crémaillère, la colonne entraîne en rotation la roue (2 vert) par l'intermédiaire du pignon (21), tandis que les roues (9 bleu) et (20) sont encore fixes à cause du verrouillage de la crémaillère réalisé par le vérin toujours à l'équilibre.
Les biellettes, agissant en palonnier, se déplacent alors et entraînent le tiroir (5 gris) du distributeur en translation.
Durcissement de la direction
Le durcissement de la direction permet d'augmenter le couple résistant au niveau du volant lors d'une vitesse élevée. Cela empêche le conducteur de réaliser des changements de direction trop brusques, qui seraient dangereux à cette vitesse.
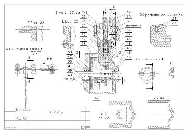
Cette rigidité est obtenu par une force variable venant s'appliquer sur une came lié à la colonne de direction ; elle est générée par le régulateur centrifuge et est totalement indépendant de la fonction assistance.
La colonne de direction est constamment en prise avec un pignon intermédiaire (38, voir dessin technique), qui est solidaire d'une came sur laquelle un piston de durcissement muni d'un galet cylindrique applique un couple résistant plus ou moins important.
Ce couple dépend :
- de l'angle de la came et donc de la rotation du volant ;
- de la pression délivrée par le régulateur centrifuge et donc de la vitesse du véhicule.
Il est à noter que le rayon de la came augmente avec l'angle polaire, donc à une vitesse donnée, plus le conducteur braque le volant, plus le couple résistant qui s'oppose à lui est important.
La direction devient de plus en plus ferme au fur et à mesure que la vitesse du véhicule croît car l'effort du piston augmente avec la pression délivrée par le régulateur centrifuge. Celui-ci se compose d'un régulateur classique à masselottes et d'un ensemble tiroir-chemise régulateur de pression ; il est entraîné mécaniquement par un moteur proportionnel à la vitesse du véhicule.
Lorsque le véhicule roule, les masselottes soumises à la force centrifuge vont s'écarter et le ressort (6) comprimé transmet son effort au tiroir (90) grâce au levier (7). Le tiroir se retrouve en équilibre lorsque la force engendrée par la pression régulée est égale à l'action des deux ressorts.
On s'aperçoit donc que c'est la pression de sortie qui commande le blocage ou non du tiroir et donc le passage ou non du fluide vers le circuit d'utilisation. Lorsque la pression de piston de durcissement atteint une certaine valeur le passage de l'huile est interrompu : nous avons affaire dans ce cas là à ce l'on appelle un réducteur de pression à valeur de tarage variable (puisque l'action de résistance des ressorts est variable selon la vitesse). La réduction de la pression lors de l'ouverture se fait simplement par pertes de charge au niveau de l'étranglement entre tiroir et orifice de sortie :
Asservissement du rappel
L'asservissement du rappel permet d'obtenir un retour du volant en douceur et dégressif vers la position neutre, lorsqu'on lâche ce dernier, afin d'éviter trop de secousses dans la direction.
Il s'agit en réalité d' une combinaison des deux fonctions précédentes, la fonction DURCIR commandant la fonction ASSISTER.
Le conducteur lâchant le volant, le couple qui s'opposait à sa volonté va s'appliquer sur la colonne de direction par l'intermédiaire du pignon intermédiaire (38) et de sa came (48) associée. Cette colonne va agir sur la fonction ASSISTER, c'est-à-dire remplacer l'effort du conducteur sur le volant par un effort mécanique agissant directement sur l'arbre de commande, et ramener la direction en ligne droite, là où le couple ne s'exerce plus.
Trois chambres distinctes peuvent être repérées dans ce régulateur de débit :
- la chambre 1 est la chambre du piston ;
- la chambre 2 est la chambre de la chemise, comprise entre les orifices d'alimentation et le trou calibré ;
- la chambre 3 est la chambre liée constamment au régulateur centrifuge.
Position neutre :
Dans cette position de repos, en ligne droite, la pression Pu délivrée par le régulateur centrifuge règne dans les chambres 1, 2 et 3.
Le ressort n'est pas sollicité, et la chemise ferme les orifices du corps ; le débit à travers le trou calibré est donc nul.
Phase de braquage :
Lorsque le conducteur commence à tourner le volant, la came fait pénétrer le galet ainsi que le piston dans le corps ; la pression augmente instantanément dans la chambre 1, ce qui induit l'ouverture du clapet à billes et l'évacuation de l'excédent de fluide vers le régulateur centrifuge.
Le piston dans son mouvement comprime le ressort qui va se déplacer jusqu'à la mise en butée sur le corps de la chemise. Les orifices sont alors ouverts, comme on le voit sur la figure suivante :
Phase de rappel :
Si le conducteur lâche le volant, celui-ci va revenir vers la position neutre sous l'action de la pression agissant sur le piston, mais aussi de la force de rappel du ressort. Le fluide venant du régulateur centrifuge arrive dans la chambre 2 par les orifices : cette chambre est donc à la pression du régulateur, alors que la chambre 1 est à une pression légèrement inférieure car le piston sous l'action du ressort a déjà commencé à se déplacer vers la gauche. La chemise est aussi entraînée vers la gauche, ce qui a tendance à comprimer légèrement le ressort.
Le déplacement de la chemise provoque une réduction progressive de la section des orifices, de telle manière que le débit à travers le trou calibré K atteint une valeur qui est fonction à chaque instant de la tension du ressort.
Le ressort étant d'autant plus comprimé que le volant est braqué, la vitesse d'écoulement à travers le trou calibré, et donc la vitesse de rappel du volant, a une certaine valeur au début du rappel, et tend vers zéro lorsque le volant revient à sa position de ligne droite.















